TEMAK Ayna Flanşları Camlock Saplamalı

67,45 EUR + KDV
3.392,13 TL
+ KDV
Kategori
Marka
Stok Kodu
160.0.C
Çap
No
TeknikDestek
0212 516 10 25
Kurumsal Teklif Al
info@egemaksan.com
Whatsapp Hattı
0539 822 28 33
Paylaş:
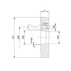
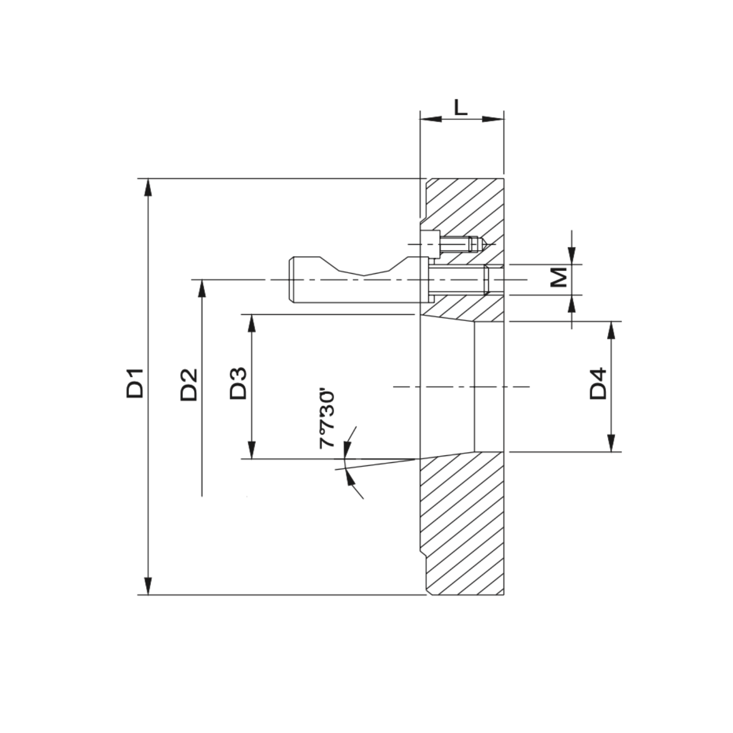
TEMAK marka Camlock saplamalı ayna bağlama flanşları, torna tezgâhlarında aynaların güvenli ve hassas şekilde bağlanması için özel olarak tasarlanmıştır. Döküm gövdeli yapısı sayesinde uzun ömürlü, sağlam ve titreşime dayanıklı bir kullanım sunar. Flanşlar, saplamalarıyla birlikte teslim edilir ve adaptör görevi görerek torna aynasının tezgâha kolayca monte edilmesini sağlar.
Öne Çıkan Özellikler:
Dayanıklı döküm malzeme ile üretilmiştir.
Saplamalar dahil şekilde set olarak gönderilir.
Torna tezgâhı ile ayna bağlantısında adaptör işlevi görür.
Yüksek hassasiyetli işlenmiş yüzey sayesinde montaj kolaylığı sağlar.
Montaj sırasında işleme yapılabilmesi için arka yüzey kaba olarak bırakılmıştır.
DIN 55029 standardına uygundur.
6, 8 veya 11 saplamalı seçeneklerle farklı çaplardaki aynalara uyum sağlar.
Kullanım Alanları:
CNC ve manuel torna tezgâhları
Metal işleme atölyeleri
Ayna değişimlerinde adaptör görevi
Teknik Bilgiler (Seçeneklere Göre):
Çap aralıkları: 160 mm – 500 mm
Saplama sayısı: 6 / 8 / 11 adet
Bağlantı diş ölçüsü: M12x1, M16x1.5, M20x1.5, M22x1.5
Ürünler, farklı D1–D4 ölçülerine göre çeşitlenmektedir.
Avantajları:
Yüksek bağlama gücü
Uzun ömürlü kullanım
Kolay montaj ve demontaj
Torna aynasında maksimum performans.
Bu ürüne ilk yorumu siz yapın!
TEMAK Ayna Flanşları Camlock Saplamalı 160.0.C
TEMAK Ayna Flanşları Camlock Saplamalı

Tavsiye Et

*
*
*
IdeaSoft® | E-Ticaret paketleri ile hazırlanmıştır.