KRAFT C ( Silindirik Şaftlı ) Kılavuz Çekme Başlığı Giriş Ve Çıkış Kompanzeli

72,28 EUR + KDV
3.623,01 TL
+ KDV
Marka
Stok Kodu
C.KCB.
Çap
C Tip
TeknikDestek
0212 516 10 25
Kurumsal Teklif Al
info@egemaksan.com
Whatsapp Hattı
0539 822 28 33
Paylaş:
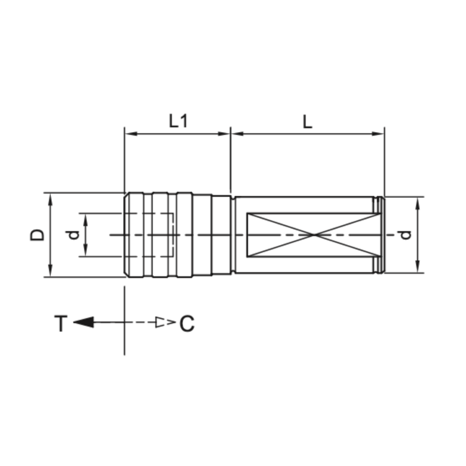
C (Silindirik Şaftlı) Kılavuz Çekme Başlığı – Giriş ve Çıkış Kompanzeli
C Tipi Silindirik Şaftlı Kılavuz Çekme Başlıkları, CNC tezgahlarında kılavuz çekme işlemlerinde yüksek hassasiyet ve güvenilir performans sunmak için tasarlanmıştır. Giriş ve çıkış kompanzasyon sistemine sahip bu başlıklar, kılavuz çekme esnasında eksenel hareketleri dengeleyerek takım ömrünü uzatır ve diş kalitesini artırır.
DIN 69871 standardına uygun üretilen bu ürünler, CNC tornalarda sorunsuz kılavuz çekme işlemleri için mükemmel bir çözümdür. Dayanıklı gövde yapısı ve yüksek merkezleme doğruluğu sayesinde uzun süreli kullanım sağlar.
Teknik Özellikler
Kodlar: C25.KCB.1 / C25.KCB.2 / C32.KCB.1 / C32.KCB.2 / C32.KCB.3
Kapasite: M3 – M33
Malzeme: 20MnCr5 çelik
Kompanzasyon Aralığı (C–T): 7,5 – 20 mm
Kullanım Alanı: CNC tornalar
Sertlik: 58 ±2 HRC
Salgı: Maks. 0,006 mm
Ölçüler:
d: 19 – 32 mm
D: 36,5 – 78 mm
L: 60 – 75 mm
L1: 42 – 75 mm
Avantajları
Giriş ve çıkış kompanzasyonu sayesinde diş çekmede hassas dengeleme.
CNC tezgahlarında yüksek doğruluk ve titreşimsiz çalışma.
Takım ömrünü uzatan esnek ve dayanıklı yapı.
M3’ten M33’e kadar geniş kılavuz çekme kapasitesi.
Bu ürüne ilk yorumu siz yapın!
KRAFT C ( Silindirik Şaftlı ) Kılavuz Çekme Başlığı Giriş Ve Çıkış Kompanzeli C.KCB.
KRAFT C ( Silindirik Şaftlı ) Kılavuz Çekme Başlığı Giriş Ve Çıkış Kompanzeli

Tavsiye Et

*
*
*
IdeaSoft® | E-Ticaret paketleri ile hazırlanmıştır.