KRAFT Kılavuz Adaptörleri

22,89 EUR + KDV
1.147,35 TL
+ KDV
Marka
Stok Kodu
000.000
Çap
Kılavuz Ölçüsü
TeknikDestek
0212 516 10 25
Kurumsal Teklif Al
info@egemaksan.com
Whatsapp Hattı
0539 822 28 33
Paylaş:
Kılavuz Adaptörleri (Emniyetli Tip) | Yüksek Hassasiyetli Kılavuz Çekme Sistemleri

Kraft Emniyetli Tip Kılavuz Adaptörleri, CNC tezgâhlarında ve otomatik kılavuz çekme sistemlerinde kılavuzları aşırı tork etkisinden korumak amacıyla tasarlanmıştır.
Fabrika tarafından önceden ayarlanmış tork sistemi sayesinde, kılavuz kırılma riskini ortadan kaldırır ve takım ömrünü uzatır.
Kılavuz dayanımı, malzeme yapısı ve iş parçası özelliklerine göre tork ayarları operatör tarafından kolayca yapılabilir.
Bu adaptörler, aşırı tork uygulandığında kendiliğinden devre dışı kalarak hem kılavuzu hem de iş parçasını korur.
Ayrıca adaptörler, pens ve kılavuz sapı ile mükemmel uyum sağlayarak yüksek merkezleme hassasiyeti sunar.
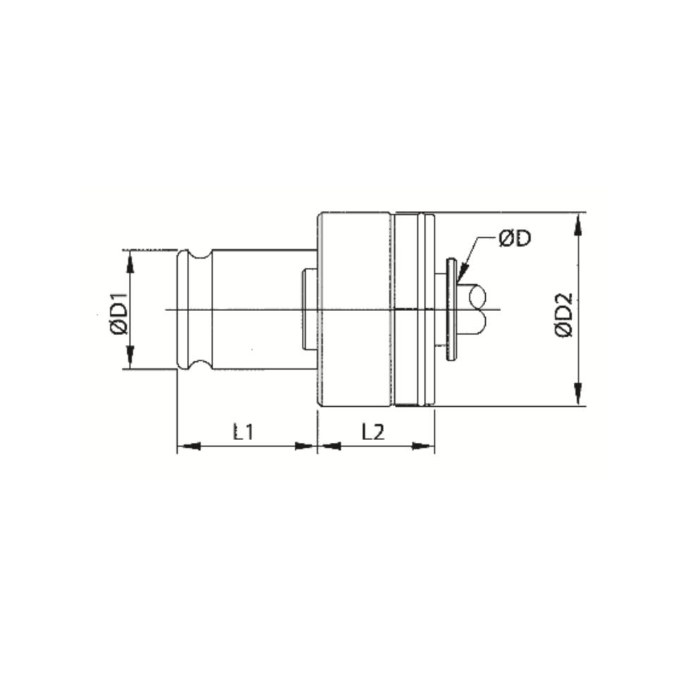
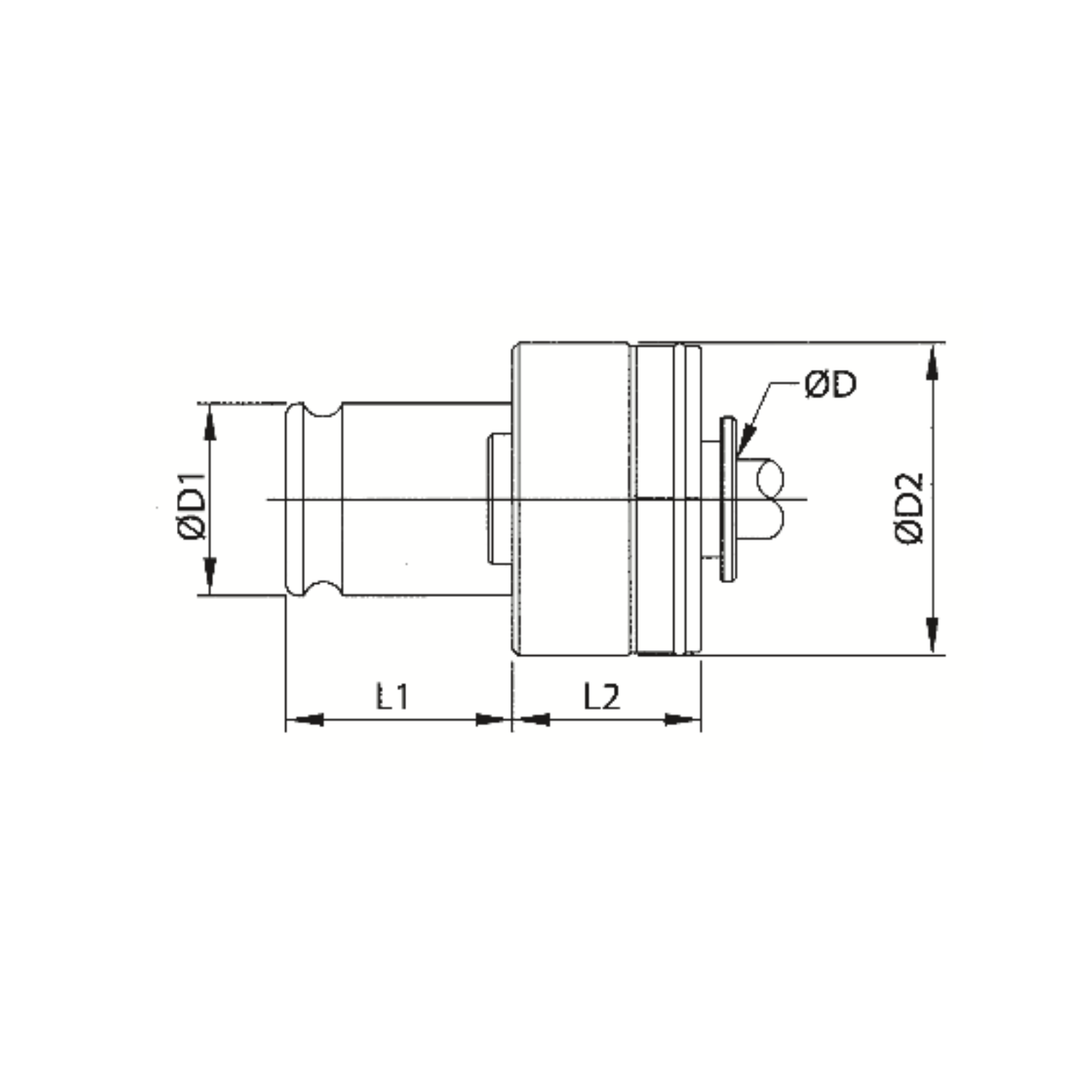
Teknik Özellikler:

Modeller: 312.060 – 312.160 (Kılavuz Adaptörü 619), 820.050 – 820.360 (Kılavuz Adaptörü 831)
Kapasite: M2 – M36
Kılavuz Ölçüsü: M3 – M36
Kılavuz Sapı Çapı (ØD): 2.8 – 28 mm
Bağlantı Uzunluğu (L1 – L2): 22.5 – 35 mm
Dış Çap (ØD1 – ØD2): 19 – 50 mm
Ek Parçalar: TRE 2/1 ve TRE 3/2 Redüksiyon Adaptörleri
Malzeme: Alaşımlı çelik, ısıl işlemli yüzey
Uyumlu Standartlar: DIN 69871
Avantajları:

Aşırı torkta otomatik emniyet sistemi ile kılavuzu korur
Fabrika ayarlı tork sistemi sayesinde sabit performans
Uzun ömürlü kullanım için ısıl işlem görmüş çelik yapı
Hassas merkezleme ile yüksek doğrulukta kılavuz çekme
Farklı kılavuz ölçülerine uygun geniş ürün yelpazesi
Pens veya adaptörle kolay entegrasyon
Kullanım Alanları:

CNC işleme merkezleri
Matkap tezgâhları
Otomatik kılavuz çekme sistemleri
Seri üretim ve montaj hatları
Bu ürüne ilk yorumu siz yapın!
KRAFT Kılavuz Adaptörleri 000.000
KRAFT Kılavuz Adaptörleri

Tavsiye Et

*
*
*
IdeaSoft® | E-Ticaret paketleri ile hazırlanmıştır.