KRAFT Veldon Civatası

74,83 TL
Kdv Dahil
Kategori
Marka
Stok Kodu
M.V
Seçenekler
Veldon Çapı
TeknikDestek
0212 516 10 25
Kurumsal Teklif Al
info@egemaksan.com
Whatsapp Hattı
0539 822 28 33
Paylaş:
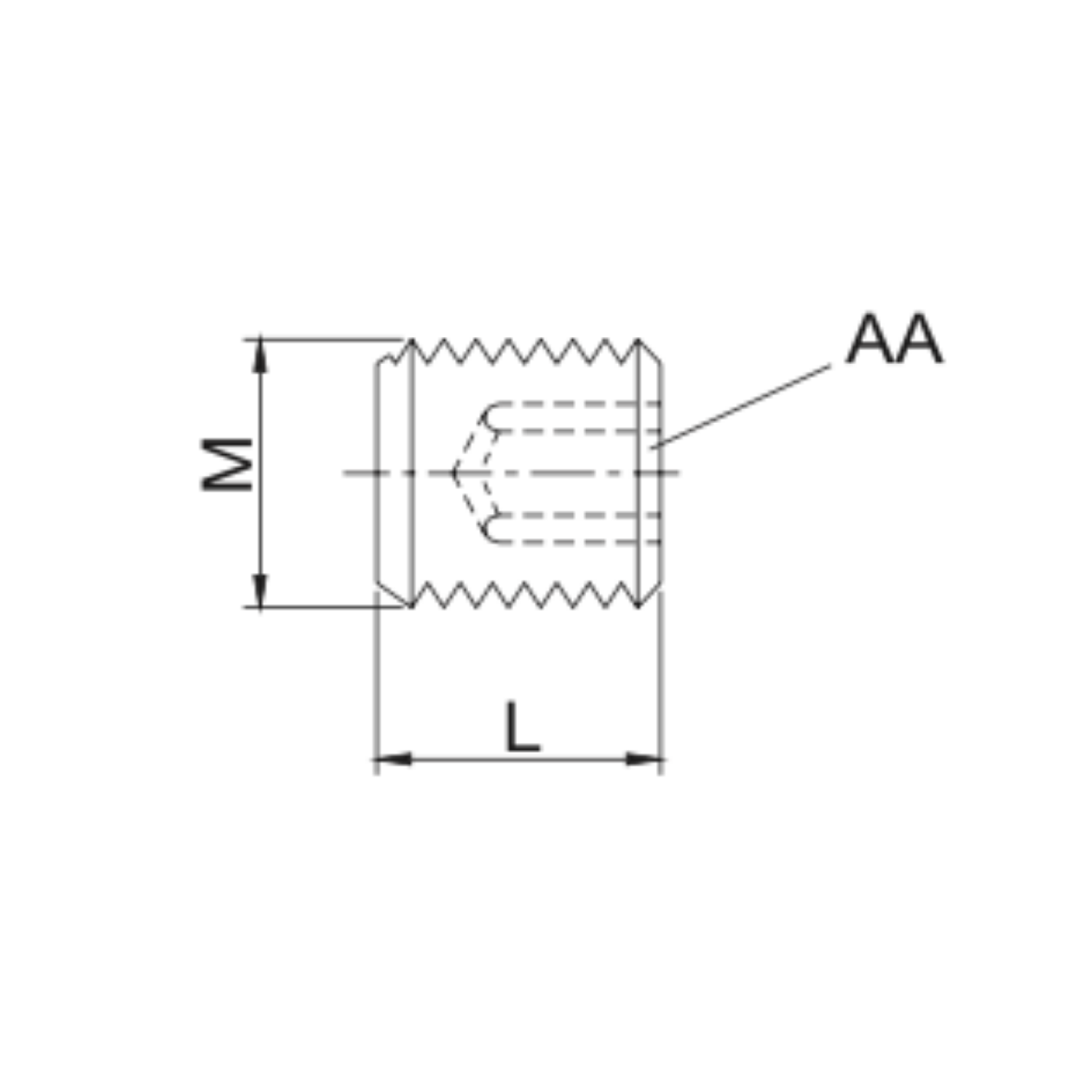
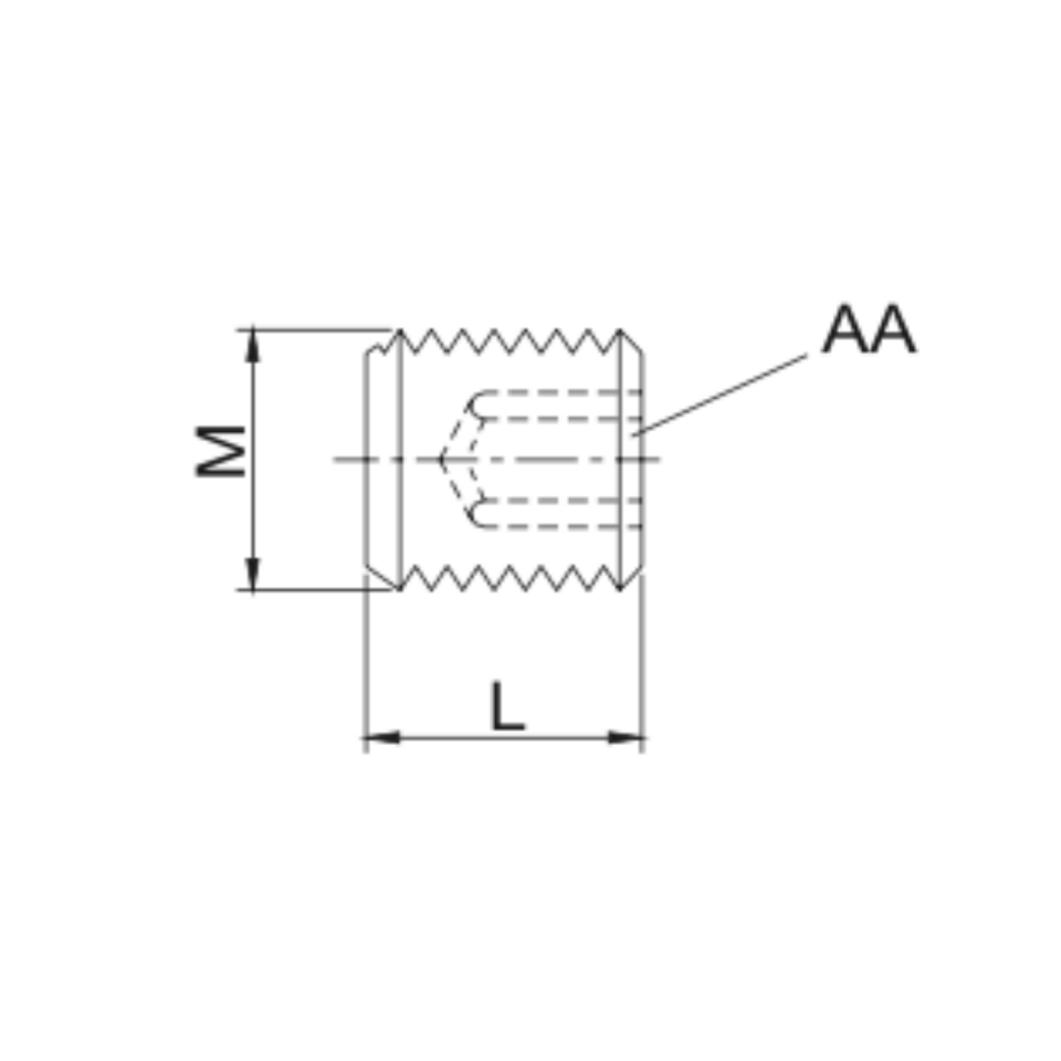
Veldon Civatası | CNC Takım Tutucu Bağlantı Elemanı

Kraft Veldon Civatası, CNC takım tutucularında ve adaptör sistemlerinde kesici takımların güvenli biçimde sabitlenmesi için tasarlanmıştır.
Yüksek mukavemetli çelik malzeme kullanılarak üretilen bu civatalar, DIN 1835-B standardına tam uyumludur.
M6V – M20V ölçü aralığında sunulur ve çeşitli Veldon şaft tipleriyle mükemmel uyum sağlar.


Teknik Özellikler:
Kodlar: M6V – M20V
Çap Aralığı: 6 – 20 mm
Uygun Takım Tipleri: MK, MHV, MHL, MSL
L (mm): 6 – 25
Malzeme: 20MnCr5 çelik
Sertlik: 58 ±2 HRC
Standart: DIN 1835-B


Avantajları:
Yüksek tork dayanımı
Hassas diş işçiliği ve sıkı bağlantı
Korozyona dayanıklı yüzey
Uzun ömürlü kullanım için ısıl işlemli yapı
Kullanım Alanları: CNC işleme merkezleri, takım tutucu bağlantıları, kesici takım sabitleme sistemleri.
Bu ürüne ilk yorumu siz yapın!
KRAFT Veldon Civatası M.V
KRAFT Veldon Civatası

Tavsiye Et

*
*
*
IdeaSoft® | E-Ticaret paketleri ile hazırlanmıştır.